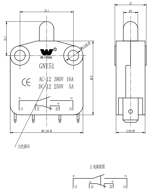
플러그 열 유형 버튼 자동 부품의 마이크로 스위치에는 작은 접점 간격과 빠른 동작 메커니즘이 있으며, 지정된 스트로크 및 힘으로 동작을 전환하기위한 접촉 메커니즘은 쉘로 덮여 있으며 외부에는 전송이 있으며 모양이 작습니다.
제품 내성uction
푸시 투 푸시 마이크로 스위치는 회로의 켜기 및 끄기 상태를 제어하는 데 사용되는 일반적인 전자 구성 요소입니다. 일반적으로 버튼과 버튼을 누를 때 상태를 변경하는 스위치로 구성됩니다.
푸시 버튼 스위치는 깜박임 효과를 사용하여 버튼을 누르면 버튼이 깜박이면 사용자의 관심을 끌 수 있습니다.
제품 응용 프로그램tion과 사양
플러그 열 유형 버튼 마이크로 스위치를 사용하여 조명을 제어 할 수 있습니다. 버튼을 누르면 조명이 켜지거나 꺼집니다. 또한 전기 장비, 에어컨 등의 스위치를 제어하는 데 사용될 수 있습니다. 산업 분야에서 푸시 버튼 스위치는 기계 장비의 시작 및 정지를 제어하는 데 널리 사용됩니다. 가정, 산업, 자동차 또는 전자 장비이든,이 간단한 제어 구성 요소와 비교할 수 없습니다.
| 기술 특성 스위치 : | |||
| 목 | 기술 매개 변수 | 값 | |
| 1 | 전기 등급 | 16A 250VAC | |
| 2 | 접촉 저항 | ≤50mΩ 초기 값 | |
| 3 | 단열성 저항 | ≥100MΩ (500VDC) | |
| 4 |
유전체 전압 |
사이 연결되지 않은 터미널 |
500V/0.5MA/60S |
| 터미널 사이 그리고 금속 프레임 |
1500V/0.5MA/60S | ||
| 5 | 전기 수명 | ≥50000 사이클 | |
| 6 | 기계적 수명 | ≥100000 사이클 | |
| 7 | 작동 온도 | -25 ~ 125 ~ | |
| 8 | 작동 주파수 | 전기 : 15 사이클 기계식 : 60 사이클 |
|
| 9 | 진동 증거 | 진동 주파수 : 10 ~ 55Hz; 진폭 : 1.5mm; 세 방향 : 1h |
|
| 10 | 솔더 능력 : 몰입 부품의 80% 이상 솔더로 덮여 있어야합니다 |
납땜 온도 : 235 ± 5 ℃ 침수 시간 : 2 ~ 3s |
|
| 11 | 솔더 내열 저항 | 딥 납땜 : 260 ± 5 ℃ 5 ± 1s 수동 납땜 : 300 ± 5 ℃ 2 ~ 3s |
|
| 12 | 안전 승인 | ul 、 csa 、 tuv 、 cqc 、 ce | |
| 13 | 테스트 조건 | 주변 온도 : 20 ± 5 ℃ 상대 습도 : 65 ± 5%RH 기압 : 86 ~ 106kpa |
|
제품 세부


