플라스틱 마그네틱 마이크로 스위치(Plastic Magnetic Micro Switch)는 자기장 신호를 통해 회로의 ON/OFF를 제어하는 스위치 장치입니다. 비접촉식 작동이 핵심이기 때문에 빠른 응답, 긴 수명, 높은 신뢰성 등의 장점을 갖고 있어 산업자동화, 보안, 자동차, 스마트홈 분야에서 널리 사용되고 있다.
마이크로 스위치 소개
자기스위치(Magnetic Switch)는 자기장 신호를 통해 회로의 ON/OFF를 제어하는 스위치 장치이다. 비접촉식 작동이 핵심이기 때문에 빠른 응답, 긴 수명, 높은 신뢰성 등의 장점을 갖고 있어 산업자동화, 보안, 자동차, 스마트홈 분야에서 널리 사용되고 있다.
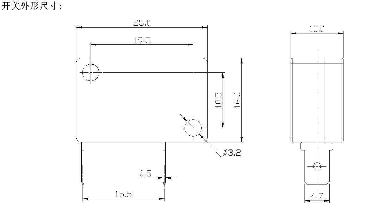
마이크로 스위치 매개변수(사양)
| 스위치 기술 특성: | |||
| 목 | 기술적인 매개변수 | 값 | |
| 1 | 전기 등급 | 5(2)A/10A/16(3)A/21(8)A 250VAC | |
| 2 | 접촉 저항 | ≤30mΩ 초기값 | |
| 3 | 절연저항 | ≥100MΩ(500VDC) | |
| 4 |
유전체 전압 |
사이 연결되지 않은 터미널 |
1000V/0.5mA/60S |
|
터미널 간 그리고 금속 프레임 |
3000V/0.5mA/60S | ||
| 5 | 전기적 수명 | ≥50000주기 | |
| 6 | 기계적 수명 | ≥1000000 주기 | |
| 7 | 작동 온도 | -25~125℃ | |
| 8 | 작동 주파수 |
전기:15사이클 기계적인: 60 주기 |
|
| 9 | 방진 |
진동 주파수: 10~55HZ; 진폭: 1.5mm; 세 방향: 1H |
|
| 10 |
납땜 능력: 침수된 부분이 80% 이상 땜납으로 덮어야 한다 |
납땜 온도 : 235±5℃ 침지 시간 : 2~3S |
|
| 11 | 납땜 내열성 |
딥 납땜 : 260±5℃ 5±1S 수동납땜 : 300±5℃ 2~3S |
|
| 12 | 안전 승인 | UL, CSA, VDE, ENEC, TUV, CE, KC, CQC | |
| 13 | 테스트 조건 |
주변 온도 : 20±5℃ 상대습도 : 65±5%RH 기압 : 86~106KPa |
|
마이크로 스위치 기능 및 응용
마이크로 스위치 세부 정보
