Yueqing Tongda가 범용 정밀 제어 시나리오를 위해 개발한 코어 마이크로 스위치인 PCB 단자 버튼 마이크로 스위치 시리즈는 '콤팩트한 디자인과 빠르고 정확한 트리거링'을 중심으로 포지셔닝되었습니다. 마이크로 스위치 제조 분야에서 38년의 경험을 바탕으로 민감한 응답, 긴 수명 및 광범위한 적응성을 결합하여 가전제품, 산업 제어, 스마트 홈 장치 등의 회로 제어를 위한 핵심 구성 요소가 되어 장비에 대한 안정적인 이동 감지 및 기능적 온/오프 솔루션을 제공합니다.
마이크로 스위치 소개
Yueqing Tongda가 범용 정밀 제어 시나리오를 위해 개발한 코어 마이크로 스위치인 HK-20 시리즈는 '컴팩트한 디자인과 빠르고 정확한 트리거링'을 중심으로 포지셔닝되었습니다. 마이크로 스위치 제조 분야에서 38년의 경험을 바탕으로 민감한 응답, 긴 수명 및 광범위한 적응성을 결합하여 가전제품, 산업 제어, 스마트 홈 장치 등의 회로 제어를 위한 핵심 구성 요소가 되어 장비에 대한 안정적인 이동 감지 및 기능적 온/오프 솔루션을 제공합니다.
특허받은 스냅액션 퀵 트리거 메커니즘을 사용하면 트리거 응답 시간이 8ms 이하로 기존 마이크로 스위치에 비해 성능이 25% 향상됩니다. 트리거 이동 거리는 0.3~1.0mm 사이에서 정밀하게 제어되며 작동력 범위는 1.5~4N입니다. 누르는 피드백은 눌려지거나 자유로운 플레이 없이 명확하고 선명하여 '가벼운 터치 연결, 해제 후 끊기'를 정밀하게 제어할 수 있어 높은 트리거 감도가 필요한 시나리오에 완벽하게 적합합니다. 접점은 고순도 은-주석 합금으로 만들어지고 정밀한 스폿 용접으로 처리되며 초기 접점 저항은 30mΩ 이하입니다. 정격 부하는 1A/250V AC 및 3A/125V AC를 지원하여 전류가 흐를 때 접점 가열 또는 연소를 효과적으로 방지합니다.
휴대용 프린터, Bluetooth 헤드셋 및 스마트 웨어러블 장치의 기능 버튼 및 이동 감지에 적응합니다. 소형 크기는 장치의 컴팩트한 디자인과 완벽하게 일치하며 민감한 활성화는 사용자 작업 경험을 향상시킵니다. 유명 가전 브랜드에 적용한 후 제품의 버튼 고장 수리율이 60% 감소했습니다.
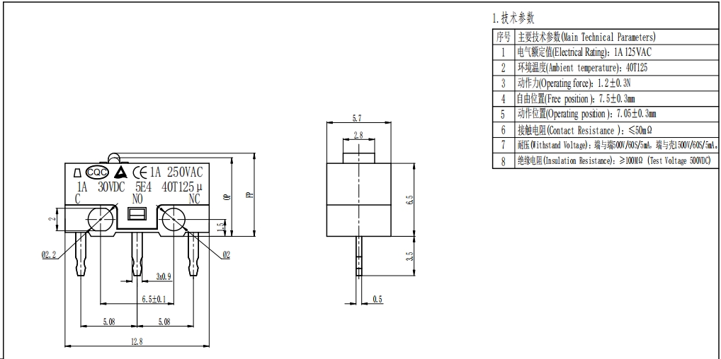
마이크로 스위치 매개변수(사양)
| 목 | 주요 기술 매개변수 |
| 1 | 전기 등급: 1A/3A 250VAC |
| 2 | 전기적 수명: Min.10000 사이클 |
| 3 | 접촉 저항:<50mΩ |
| 4 | 작동력:70±20gf |
| 5 | 자유로운 위치: 7.3±0.2mm |
| 6 | 작동 위치:7.0±0.2mm |
| 7 | 주위 온도: T85° |
| 8 | 내전압: 터미널과 터미널 사이 500V/5S/5mA; |
| 단자와 케이스간 1500/5S/5mA | |
| 9 | 절연 저항:>100MΩ 테스트 전압 500VDC |
| 10 | 증명 추적 지수 PTI:175V |
마이크로 스위치 세부 정보
