> 제품 > 마이크로 스위치 > 천연 가스 스토브 및 가스 밥솥 스위치
천연 가스 스토브 및 가스 밥솥 스위치

천연 가스 스토브 및 가스 밥솥 스위치

천연 가스 스토브 및 가스 밥솥 스위치는 기계적 동작에 의해 작동되는 자동 제어 구성 요소입니다. 핵심 기능은 물체의 변위 또는 스트로크를 감지하여 회로의 개폐, 장비의 시작 및 정지 또는 제한 보호를 달성하는 것입니다. 산업자동화와 전자기계장비 분야에서 없어서는 안 될 '안전파수꾼'이자 '행동지휘관'이다.

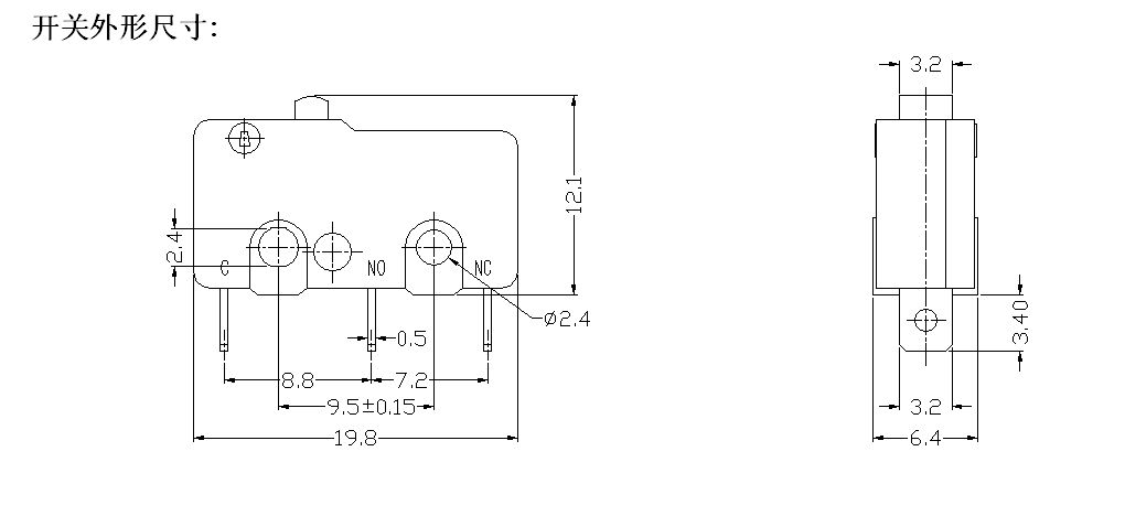
모델:HK-04G-1AT-009

문의 보내기

제품 설명

웨이펑®최고의 천연 가스 스토브 및 가스 밥솥 스위치입니다. 제조RS, 공급iers 및 수출업체. 

스위치 소개경매 


HK-04G 시리즈 스위치는 전기 성능 측면에서 실제 시나리오에 중점을 둡니다. 접점은 고순도 은-주석 합금으로 만들어지며 정밀 용접 기술로 처리됩니다. 초기 접촉 저항은 8mΩ 이하이며 10A~16A AC 전류(정격 전압 250V AC)를 안정적으로 전달할 수 있습니다. 스마트 홈 조명 및 소켓과 같은 저전력 장치를 제어하는 ​​것뿐만 아니라 소형 산업용 팬 및 상업용 프린터와 같은 중간 전력 장치에도 적합합니다. 이는 전류 과부하로 인한 접점 과열 및 부식을 효과적으로 방지하여 안전하고 안정적인 회로 전도를 보장합니다.


스위치 신청tion


1. 스마트 홈 시나리오: 편리한 제어, 생활에 통합HK-04G 시리즈는 컴팩트한 크기(약 20×15×10mm, L×W×H)로 스마트 배전함, 벽걸이형 스마트 소켓 및 스마트 조명 제어 패널에 쉽게 통합될 수 있습니다. 이제 여러 국내 스마트 홈 브랜드의 지원 구성 요소가 되었습니다. 예를 들어 특정 브랜드의 스마트 소켓에 이 시리즈의 로커 스위치를 장착한 후 사용자는 이 스위치를 눌러 빠르게 전원을 켜고 끌 수 있습니다. APP 원격 제어와 결합하여 "로컬 + 원격"의 이중 제어 모드를 달성하고 기존 스위치에 비해 제품 고장률이 40% 감소하여 사용자 경험이 향상됩니다.

2. 상업 및 소규모 산업 시나리오: 효율적인 적응, 보장된 운영

상업용 장비: 상업용 커피머신, 금전 등록기, 프린터의 전원 제어에 적합하며, 빠른 배선 설치를 지원하는 최적화된 단자 연결 구조를 갖추고 있습니다. 체인 커피숍에 일괄 적용한 후 장비 조립 효율이 25% 증가했으며 장기간 사용해도 스위치 고장으로 인한 장비 가동 중단 문제가 발생하지 않았습니다.

소규모 산업: 소형 컨베이어 장비 및 작업장 조명의 회로 제어에 사용됩니다. 난연성 케이스와 안정적인 전기 성능으로 작업장의 가벼운 먼지 환경을 처리할 수 있습니다. 모 전자제품 가공공장에서는 18개월간 스위치 성능저하 없이 사용하여 생산라인의 안정적인 운영을 보장하였습니다.


스위치 세부



핫 태그: 천연 가스 스토브 및 가스 밥솥 스위치, 중국, 제조 업체, 공급 업체, 도매, 공장, 가격
관련 카테고리
문의 보내기
문의사항은 아래 양식으로 부담없이 보내주세요. 24시간 이내에 회신해 드리겠습니다.
X
We use cookies to offer you a better browsing experience, analyze site traffic and personalize content. By using this site, you agree to our use of cookies. Privacy Policy
Reject Accept