핵심 표준화와 맞춤화의 통합을 구현하는 Yueqing Tongda Wire Electric Factory의 대표 제품인 주서기 및 진공청소기용 마이크로 스위치는 "안정성, 신뢰성 및 장면 호환성"이라는 핵심 원칙으로 설계되었습니다. 이는 회사의 35년 스위치 제조 전문 지식을 통합하여 전기 성능, 보호 수준 및 사용자 경험에서 다양한 최적화를 달성합니다. 이 스위치는 스마트 홈 배전, 산업용 보조 장비, 소형 의료 기기 등의 시나리오에 널리 적용 가능하므로 보편성과 맞춤화 가능성의 균형을 맞추는 선호되는 회로 제어 부품입니다.
마이크로 스위치소개
마이크로 스위치(스냅 동작 스위치라고도 함)는 스프링 장착 메커니즘을 사용하여 순간적으로 활성화할 수 있으므로 점진적으로 누를 필요가 없습니다. 접점을 빠르게 열거나 닫을 수 있어 지연 없이 안정적인 성능을 보장합니다. 구매자에게는 내구성(접점 마모 감소)과 정확성이 향상되어 스위치 걸림으로 인한 안전 위험을 방지할 수 있습니다.
마이크로 스위치애플리케이션
마이크로 스위치는 널리 사용되고 성능이 안정적이며 주로 다음 분야에 적용됩니다.
- 가전제품 : 냉장고 조명, 전자레인지 도어락, 세탁기 뚜껑 스위치, 토스터 타이머.
- 산업장비: 컨베이어 벨트, 기계, 제어반(방진, 방습)에 적합한 대형 모델입니다.
- 자동차 분야: 앞유리 와이퍼, 도어 열림 표시기 - 진동과 극한의 온도를 견딜 수 있습니다.
- 전자 장치: 리모콘 및 게임 컨트롤러용 소형 스위치(반응성이 뛰어나고 오래 지속됨).
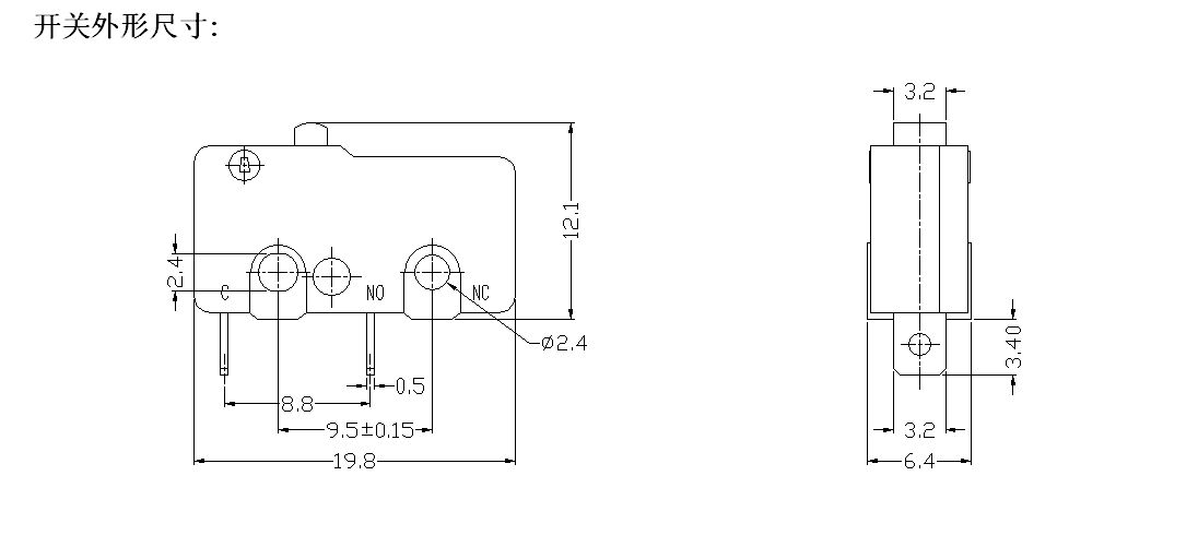
마이크로 스위치 사양
| 스위치 기술 특성: | |||
| 목 | 기술적인 매개변수 | 값 | |
| 1 | 전기 등급 | 5(2)A 125V/250VAC 10(3)125V/250VAC | |
| 2 | 접촉저항 | ≤50mΩ 초기값 | |
| 3 | 절연저항 | ≥100MΩ(500VDC) | |
| 4 |
유전체 전압 |
사이 연결되지 않은 터미널 |
500V/0.5mA/60S |
| 터미널 간 그리고 금속 프레임 |
1500V/0.5mA/60S | ||
| 5 | 전기적 수명 | ≥10000 주기 | |
| 6 | 기계적 수명 | ≥100000주기 | |
| 7 | 작동 온도 | -25~125℃ | |
| 8 | 작동 주파수 | 전기: 15주기 기계적인: 60 주기 |
|
| 9 | 방진 | 진동 주파수: 10~55HZ; 진폭: 1.5mm; 세 방향: 1H |
|
| 10 | 납땜 능력: 침수된 부분이 80% 이상 땜납으로 덮어야 한다 |
납땜온도 : 235±5℃ 침지 시간 : 2~3S |
|
| 11 | 납땜 내열성 | 딥 납땜 : 260±5℃ 5±1S 수동 납땜 : 300±5℃ 2~3S |
|
| 12 | 안전 승인 | UL, CSA, VDE, ENEC, CE | |
| 13 | 테스트 조건 | 주변 온도 : 20±5℃ 상대습도 : 65±5%RH 공기압 : 86~106KPa |
|
통다와이어전기 마이크로 USB 인라인 전원 스위치 세부
