범용 시나리오를 겨냥한 Yueqing Tongda Cable Power Plant의 클래식 제품 시리즈인 액화 가스 온수기 수중 작동식 점화 스위치 시리즈 스위치는 "높은 안정성, 폭넓은 호환성 및 높은 비용 효율성"에 중점을 두고 설계되었습니다. 회사의 35년 간의 스위치 제조 경험을 통합한 이 시리즈는 로커 및 푸시 버튼이라는 두 가지 주요 트리거링 유형을 다룹니다. 스마트 홈, 상업용 가전제품, 소형 산업 장비 등 여러 영역의 회로 제어 요구 사항에 적합합니다. 균형 잡힌 성능과 안정적인 품질로 인해 다양한 산업 분야에서 범용 스위치로 선호되는 선택이 되었습니다.
마이크로 스위치소개
범용 시나리오를 겨냥한 Yueqing Tongda Cable Power Plant의 클래식 제품 시리즈인 HK-04G 시리즈 스위치는 "높은 안정성, 폭넓은 호환성 및 높은 비용 효율성"에 중점을 두고 설계되었습니다. 회사의 35년 간의 스위치 제조 경험을 통합한 이 시리즈는 로커 및 푸시 버튼이라는 두 가지 주요 트리거링 유형을 다룹니다. 스마트 홈, 상업용 가전제품, 소형 산업 장비 등 여러 영역의 회로 제어 요구 사항에 적합합니다. 균형 잡힌 성능과 안정적인 품질로 인해 다양한 산업 분야에서 범용 스위치로 선호되는 선택이 되었습니다.
마이크로 스위치애플리케이션
HK-04G 시리즈는 컴팩트한 크기(L × W × H 약 20×15×10mm)를 갖추고 스마트 배전함, 벽걸이형 스마트 소켓, 스마트 조명 제어판에 쉽게 내장할 수 있으며 현재 여러 국내 스마트 홈 브랜드의 지원 구성 요소가 되었습니다. 예를 들어, 특정 브랜드의 스마트 소켓에 이 시리즈의 로커 스위치가 장착된 후 사용자는 이 스위치를 눌러 전원을 빠르게 켜고 끌 수 있습니다. APP 원격 제어와 결합하여 '로컬 및 원격'의 이중 제어 모드를 구현하여 기존 스위치에 비해 제품 고장률을 40% 줄이고 사용자 경험을 향상시킵니다.
상업용 장비: 상업용 커피머신, 금전등록기, 프린터와 호환되는 전원 제어 장치로, 빠른 배선 설치를 지원하는 최적화된 단자 연결 구조를 갖추고 있습니다. 모 체인 커피숍에서 일괄 사용 후 장치 조립 효율이 25% 향상되었으며, 장기간 사용 시 스위치 고장으로 인한 장비 정지 문제도 발생하지 않았습니다.
소규모 산업: 난연성 하우징과 안정적인 전기 성능을 특징으로 하는 소형 컨베이어 장비 및 작업장 조명용 회로 제어로 작업장의 가벼운 먼지 환경을 처리할 수 있습니다. 모 전자제품 가공공장에서는 18개월간 스위치 성능저하 없이 사용하여 생산라인의 안정적인 운영을 보장하였습니다.
특정 시나리오에서 개인화된 요구 사항을 충족하기 위해 HK-04G 시리즈는 유연한 사용자 정의를 지원합니다.
외관 사용자 정의: 다양한 장치 케이스 디자인에 맞게 색상을 검정색, 흰색, 회색 중에서 선택할 수 있습니다. 케이스에는 회사 로고나 매개변수 라벨을 새겨 브랜드 인지도를 높일 수 있습니다.
기능 사용자 정의: 빨간색/녹색 단색 LED 표시기(5V/12V 전압 선택 가능)를 추가하여 회로 상태에 대한 직관적인 피드백을 제공하고 사용자가 장치의 전원이 켜져 있는지 빠르게 확인할 수 있습니다.
터미널 사용자 정의: 다양한 장치 배선 공간에 맞게 플러그인(2.54mm 간격) 및 납땜 유형 터미널을 모두 지원합니다. 맞춤 제작 주기는 5~10일에 불과하며 샘플은 48시간 이내에 배송될 수 있습니다.
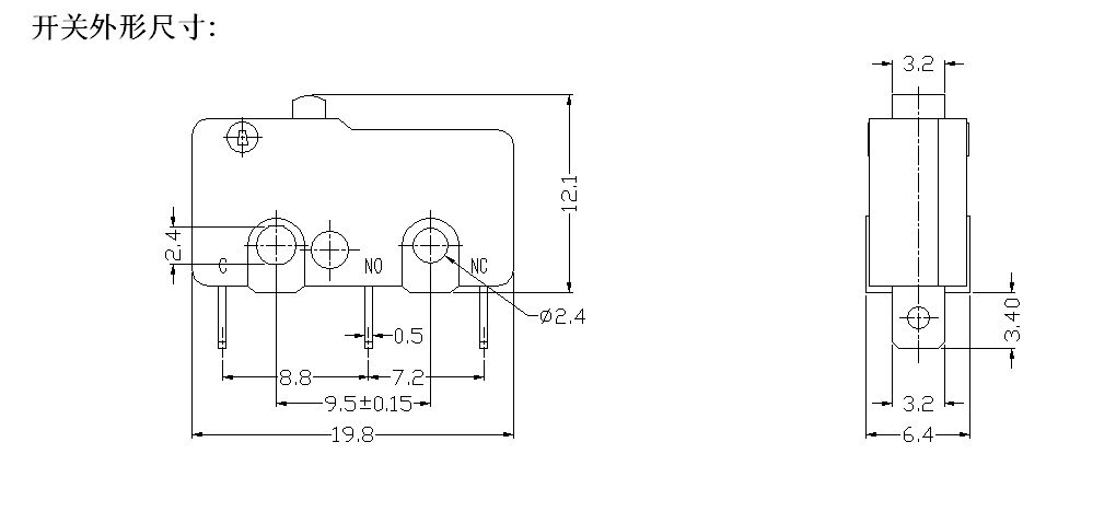
마이크로 스위치 사양
| 스위치 기술 특성: | |||
| 목 | 기술적인 매개변수 | 값 | |
| 1 | 전기 등급 | 5(2)A 125V/250VAC 10(3)125V/250VAC | |
| 2 | 접촉 저항 | ≤50mΩ 초기값 | |
| 3 | 절연저항 | ≥100MΩ(500VDC) | |
| 4 |
유전체 전압 |
사이 연결되지 않은 터미널 |
500V/0.5mA/60S |
| 터미널 간 그리고 금속 프레임 |
1500V/0.5mA/60S | ||
| 5 | 전기적 수명 | ≥10000 주기 | |
| 6 | 기계적 수명 | ≥100000주기 | |
| 7 | 작동 온도 | -25~125℃ | |
| 8 | 작동 주파수 | 전기: 15주기 기계적인: 60 주기 |
|
| 9 | 방진 | 진동 주파수: 10~55HZ; 진폭: 1.5mm; 세 방향: 1H |
|
| 10 | 납땜 능력: 침수된 부분이 80% 이상 땜납으로 덮어야 한다 |
납땜온도 : 235±5℃ 침지 시간 : 2~3S |
|
| 11 | 납땜 내열성 | 딥 납땜 : 260±5℃ 5±1S 수동 납땜 : 300±5℃ 2~3S |
|
| 12 | 안전 승인 | UL, CSA, VDE, ENEC, CE | |
| 13 | 테스트 조건 | 주변 온도 : 20±5℃ 상대습도 : 65±5%RH 공기압 : 86~106KPa |
|
통다와이어전기 마이크로 USB 인라인 전원 스위치 세부

