Yueqing Tongda Wire Electric Factory 마이크로 스위치 시리즈의 벤치마크 모델인 HK-14 16A 250VAC T125 범용 펜티엄 Supor 밥솥 액세서리 마이크로 스위치는 "높은 감도, 매우 긴 수명 및 다중 시나리오 적응성"을 핵심 장점으로 갖추고 있습니다. 회사의 35년 스위치 제조 전문 기술을 통합하여 최소 접촉 간격과 신속한 동작 메커니즘 덕분에 가전 제품, 자동차 전자 제품, 산업 자동화 및 기타 분야의 핵심 제어 부품이 되었습니다. 성능과 신뢰성은 전 세계 여러 권위 있는 기관으로부터 인증을 받아 틈새 시장에서 주류 위치를 확보했습니다.
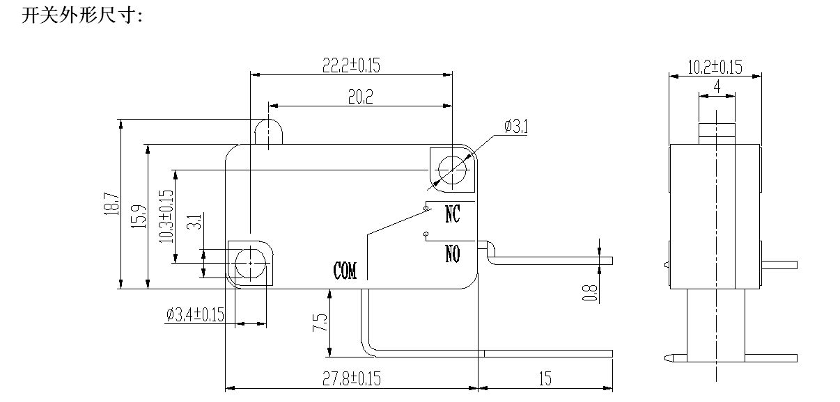
마이크로 스위치 소개
HK-14는 기술 사양에서 강력한 경쟁력을 보여주며 특히 고주파수, 고정밀 제어 요구 사항에 적합합니다. 접점은 전도성이 높은 합금 재료로 만들어졌으며 초기 접촉 저항이 30mΩ 이하이고 5A~25A의 전류를 안정적으로 전달할 수 있으며 AC 125V/250V 및 DC 12V/24V를 포함한 다양한 전압 시나리오와 호환되어 소형 가전 제품부터 산업용 장비까지 다양한 전력 요구 사항을 충족합니다.
트리거링 성능 측면에서 이 제품은 작동 스트로크가 0.5~1.6mm에 불과하고 작동력이 0.25~4N 사이에서 제어되는 스냅액션 메커니즘을 사용합니다. 신속한 트리거링 응답과 명확한 피드백을 제공하여 "잘못된 트리거링" 및 "트리거 지연" 문제를 효과적으로 방지합니다. 수명은 업계 표준을 훨씬 능가합니다. 기계적 수명은 100만 주기를 초과하고, 전기적 수명은 50,000주기를 초과하므로 전자레인지 및 자동차 전자 장치와 같은 고주파수 사용 시나리오에서 장기적으로 안정적인 작동이 가능합니다.
환경 적응성 역시 인상적입니다. 이 제품은 -25℃ ~ 125℃의 넓은 온도 범위에서 작동할 수 있으며 진폭 1.5mm, 10-55Hz에서 3축 진동 테스트를 통과하고 ≥100MΩ(500VDC)의 절연 저항을 유지하며 단자 간 1000V AC의 전압을 견딜 수 있어 산업 작업장 진동 환경이나 자동차 엔진실의 고온 조건에서도 안정적인 성능을 보장합니다.
Leqing Tongda의 전체 프로세스 품질 관리 시스템을 기반으로 HK-14는 원자재부터 완제품까지 여러 가지 엄격한 테스트를 거칩니다.
원자재 테스트: 핵심 부품이 자동차 표준을 충족하는지 확인하기 위한 접촉 재료 스펙트럼 분석, 스프링 조각 탄성 및 피로 테스트, 케이싱 노화 저항 테스트.
생산 테스트: 육안 검사 시스템을 갖춘 완전 자동화된 정밀 조립 라인으로 주요 치수 오류를 ±0.01mm 이내로 제어하여 일관된 작동 정확도를 보장합니다.
완제품 테스트: 고온 및 저온 사이클링(-40℃ ~ 120℃), 48시간 염수 분무 부식, 수백만 번의 프레싱 사이클, 진동 및 충격 테스트를 포함한 10가지 테스트에 대해 100% 합격률입니다.
마이크로 스위치 매개변수(사양)
| 스위치 기술 특성: | |||
| 목 | 기술적인 매개변수 | 값 | |
| 1 | 전기 등급 | 5(2)A/10A/16(3)A/21(8)A 250VAC | |
| 2 | 접촉 저항 | ≤30mΩ 초기값 | |
| 3 | 절연저항 | ≥100MΩ(500VDC) | |
| 4 |
유전체 전압 |
사이 연결되지 않은 터미널 |
1000V/0.5mA/60S |
| 터미널 간 그리고 금속 프레임 |
3000V/0.5mA/60S | ||
| 5 | 전기적 수명 | ≥50000주기 | |
| 6 | 기계적 수명 | ≥1000000 주기 | |
| 7 | 작동 온도 | -25~125℃ | |
| 8 | 작동 주파수 | 전기:15사이클 기계적인: 60 주기 |
|
| 9 | 방진 | 진동 주파수: 10~55HZ; 진폭: 1.5mm; 세 방향: 1H |
|
| 10 | 납땜 능력: 침수된 부분이 80% 이상 땜납으로 덮어야 한다 |
납땜 온도 : 235±5℃ 침지 시간 : 2~3S |
|
| 11 | 납땜 내열성 | 딥 납땜 : 260±5℃ 5±1S 수동납땜 : 300±5℃ 2~3S |
|
| 12 | 안전 승인 | UL, CSA, VDE, ENEC, TUV, CE, KC, CQC | |
| 13 | 테스트 조건 | 주변 온도 : 20±5℃ 상대습도 : 65±5%RH 기압 : 86~106KPa |
|
마이크로 스위치 기능 및 응용
마이크로 스위치 세부 정보

