Yueqing Tongda Cable Power Plant 마이크로 스위치 시리즈의 벤치마크 모델인 HK-14는 "고감도, 매우 긴 수명 및 다중 시나리오 적응성"을 핵심 장점으로 갖추고 있습니다. 회사의 35년 스위치 제조 전문 기술을 통합하여 최소 접촉 간격과 신속한 동작 메커니즘 덕분에 가전 제품, 자동차 전자 제품, 산업 자동화 및 기타 분야의 핵심 제어 부품이 되었습니다. 성능과 신뢰성은 전 세계 여러 권위 있는 기관으로부터 인증을 받아 틈새 시장에서 주류 위치를 확보했습니다.
마이크로 스위치 소개
밀리초 단위의 정확한 트리거링: 0.5~1.6mm의 짧은 이동 거리와 0.25~4N의 조정 가능한 작동력을 갖춘 스냅액션 빠른 메커니즘을 활용하여 신속하고 지연 없는 응답을 제공하여 "잘못된 트리거"를 효과적으로 방지합니다. 전자레인지 도어 제어 및 산업용 센서와 같은 고정밀 시나리오에 적합합니다.
내구성이 뛰어난 품질: 강화 구조와 결합된 고전도성 합금 접점은 1백만 주기가 넘는 기계적 수명과 50,000주기가 넘는 전기적 수명을 제공합니다. 자동차 전자 장치 및 전동 공구와 같은 고주파수 사용 환경에서 장기간 안정적인 작동에 이상적입니다.
폭넓은 환경 적응성: -25℃~125℃의 넓은 온도 범위에서 작동하고, 10~55Hz의 고주파 진동을 견디고, 절연 저항 ≥100MΩ, 단자 내전압 1000V AC가 특징입니다. 산업 작업장의 진동 및 자동차 엔진실의 고온과 같은 열악한 조건에서도 안정적인 성능을 발휘합니다.
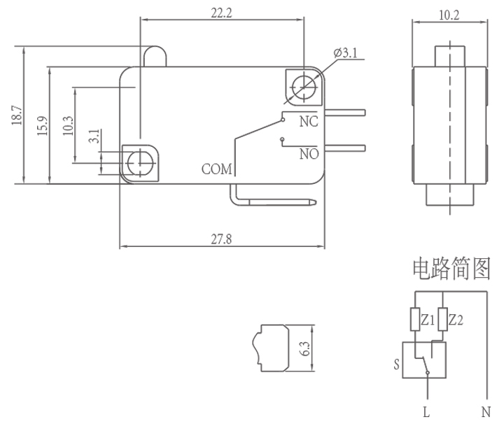
마이크로 스위치 매개변수(사양)
| 스위치 기술 특성: | |||
| 목 | 기술적인 매개변수 | 값 | |
| 1 | 전기 등급 | 5(2)A/10A/16(3)A/21(8)A 250VAC | |
| 2 | 접촉 저항 | ≤30mΩ 초기값 | |
| 3 | 절연저항 | ≥100MΩ(500VDC) | |
| 4 |
유전체 전압 |
사이 연결되지 않은 터미널 |
1000V/0.5mA/60S |
| 터미널 간 그리고 금속 프레임 |
3000V/0.5mA/60S | ||
| 5 | 전기적 수명 | ≥50000주기 | |
| 6 | 기계적 수명 | ≥1000000 주기 | |
| 7 | 작동 온도 | -25~125℃ | |
| 8 | 작동 주파수 | 전기적: 15사이클 기계적인: 60 주기 |
|
| 9 | 방진 | 진동 주파수: 10~55HZ; 진폭: 1.5mm; 세 방향: 1H |
|
| 10 | 납땜 능력: 침수된 부분이 80% 이상 땜납으로 덮어야 한다 |
납땜 온도 : 235±5℃ 침지 시간 : 2~3S |
|
| 11 | 납땜 내열성 | 딥 납땜 : 260±5℃ 5±1S 수동납땜 : 300±5℃ 2~3S |
|
| 12 | 안전 승인 | UL, CSA, VDE, ENEC, TUV, CE, KC, CQC | |
| 13 | 테스트 조건 | 주위 온도 : 20±5℃ 상대습도 : 65±5%RH 기압 : 86~106KPa |
|
마이크로 스위치 기능 및 응용
마이크로 스위치 세부 정보


