핵심 표준화와 맞춤화의 통합을 구현하는 Yueqing Tongda 케이블 발전소의 대표 제품인 가스 온수기 및 가스 스토브 마이크로 스위치 스위치는 "안정성, 신뢰성 및 현장 호환성"이라는 핵심 원칙으로 설계되었습니다. 이는 회사의 35년 스위치 제조 전문 지식을 통합하여 전기 성능, 보호 수준 및 사용자 경험에서 다양한 최적화를 달성합니다. 이 스위치는 스마트 홈 배전, 산업용 보조 장비, 소형 의료 기기 등의 시나리오에 널리 적용 가능하므로 보편성과 맞춤화 가능성의 균형을 맞추는 선호되는 회로 제어 부품입니다.
마이크로 스위치소개
HK-04G-L 스위치는 주요 매개변수에 대한 실제 요구 사항에 중점을 두고 다양한 시나리오에 대한 기본 제어 표준을 충족합니다. 접점은 은-주석 합금으로 만들어지고 정밀 용접으로 처리되며 초기 접점 저항은 8mΩ 이하입니다. 대부분의 가정용 및 소형 산업용 장치의 전력 수요에 적합한 10A-16A AC 전류(정격 전압 250V AC)를 안정적으로 전달할 수 있어 전류 과부하로 인한 접점 과열 또는 침식 문제를 효과적으로 방지할 수 있습니다.
트리거 및 수명 성능은 동일하게 신뢰할 수 있습니다. 1.3-1.6mm의 프레싱 이동과 1.5-3N 내에서 제어되는 작동력을 갖춘 로커형 트리거 구조를 사용합니다. 활성화 피드백은 명확하고 매끄러워서 일상적인 사용 시 "무반응 누르기" 현상이 발생할 가능성이 거의 없습니다. 기계적 수명은 80,000회의 프레싱 사이클에 도달하고 전기적 수명은 50,000사이클을 초과합니다. 냉장고, 소형팬, 상업용 프린터 등 고주파수 사용 기기에서는 3~5년 동안 안정적인 동작을 달성할 수 있다.
환경 적응성은 기존 시나리오 요구 사항을 충족합니다. 이 제품은 -30°C ~ 80°C의 온도 범위 내에서 작동하며 북부 겨울의 저온과 여름의 열 방출 조건을 처리할 수 있습니다. 절연 저항은 ≥50MΩ(500VDC)이고 단자 전압 내구성은 800V AC에 도달하여 가정용 및 상업용 안전 전기 표준을 충족합니다. 또한 케이스는 난연성 ABS 재질(UL94 V-1 준수)로 제작되어 회로 단락으로 인한 안전 위험을 줄입니다.
마이크로 스위치애플리케이션
스마트 홈 및 가정용 시나리오에서 컴팩트한 크기(약 20×15×10mm, L×W×H)를 갖춘 HK-04G-L은 스마트 배전함, 벽걸이형 소켓 및 소형 가전 제어판에 쉽게 통합될 수 있습니다. 현재 국내 여러 스마트 홈 브랜드에서 조명 제어, 가전제품 전원 전환 등의 기능을 위해 사용하는 부품이 되었습니다. 한 브랜드는 이를 장착한 제품의 고장률이 기존 스위치보다 40% 낮다고 보고했습니다.
소규모 산업 및 상업 시나리오에서 이 제품은 소형 컨베이어 장비, 상업용 커피 머신, 사무용 프린터 및 기타 장치의 전력 제어에 적합합니다. 단자 연결 구조를 최적화하여 신속한 배선 설치를 지원하여 장치 조립 효율성을 향상시킵니다. 이전에는 상용 기기 제조업체를 위한 맞춤형 버전이 단자 간격 조정을 통해 장비의 콤팩트한 내부 배선 요구 사항을 충족하여 설치 효율성이 25% 향상되었습니다.
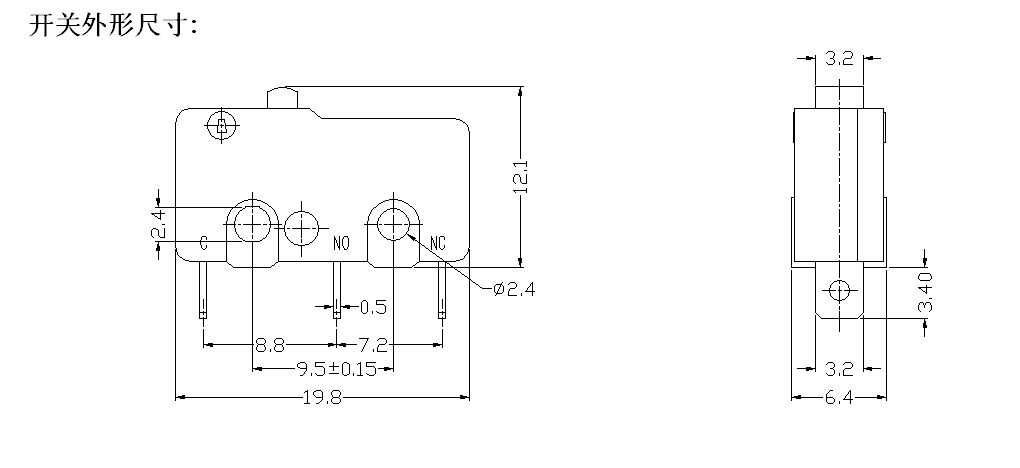
마이크로 스위치 사양
| 스위치 기술 특성: | |||
| 목 | 기술적인 매개변수 | 값 | |
| 1 | 전기 등급 | 5(2)A 125V/250VAC 10(3)125V/250VAC | |
| 2 | 접촉 저항 | ≤50mΩ 초기값 | |
| 3 | 절연저항 | ≥100MΩ(500VDC) | |
| 4 |
유전체 전압 |
사이 연결되지 않은 터미널 |
500V/0.5mA/60S |
| 터미널 간 그리고 금속 프레임 |
1500V/0.5mA/60S | ||
| 5 | 전기적 수명 | ≥10000 주기 | |
| 6 | 기계적 수명 | ≥100000주기 | |
| 7 | 작동 온도 | -25~125℃ | |
| 8 | 작동 주파수 | 전기: 15주기 기계적인: 60 주기 |
|
| 9 | 방진 | 진동 주파수: 10~55HZ; 진폭: 1.5mm; 세 방향: 1H |
|
| 10 | 납땜 능력: 침수된 부분이 80% 이상 땜납으로 덮어야 한다 |
납땜온도 : 235±5℃ 침지 시간 : 2~3S |
|
| 11 | 납땜 내열성 | 딥 납땜 : 260±5℃ 5±1S 수동 납땜 : 300±5℃ 2~3S |
|
| 12 | 안전 승인 | UL, CSA, VDE, ENEC, CE | |
| 13 | 테스트 조건 | 주변 온도 : 20±5℃ 상대습도 : 65±5%RH 공기압 : 86~106KPa |
|
통다와이어전기 마이크로 USB 인라인 전원 스위치 세부

